记得在一次处理V20变频器欠压故障(F3)问题时,由于电网电压出现跌落,造成变频器报欠压故障停机,影响产线的生产,客户提出的要求是自动复位故障,重新启动即对于西门子变频器来讲,这其实是一个简单的问题,使用变频器的自动重启功能,根据实际情况设置参数p1210即可。
随后客户又补充到,即使启动命令不在,也需要变频器自动复位欠压故障……使用过V20变频器的玩家应该清楚,欠压重启是需要ON/OFF1启动命令一直保持的呀,顿时心里有一万只小动物跑过,不过很快脑袋里有了个念头,PLC做下自动复位也可以吧?可现实是残酷的,PLC程序早已成型,不便修改,这时要对客户的这个需求说“不”吗?
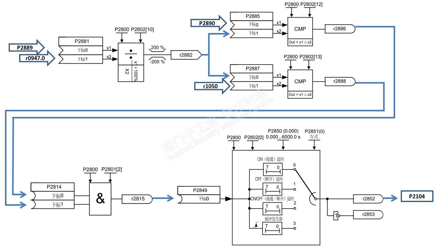
静下心来想一想,变频器自身真的不可以实现这个功能吗?答案是否定的,只要能找到欠压故障对应的位信号就可以,用这个位信号互联到变频器的故障复位参数p2104,就可以实现欠压故障在没有ON/OFF1启动命令的时候自动复位。而这个位信号就需要使用自由功能块获取了。V20变频器内部有一些基本的自由功能块“与”、“或”、“非”、“运算”、“延时”等等,可以完成一些基本逻辑运算。
那么具体怎么实现呢?故障发生时,参数r0947会记录变频器当前的故障代码,而这个故障代码除了用于我们做诊断故障,还可以做运算。不过,在内部运算时r0947是等于 的,有了这个特定的值,再加上自由功能块中的“比较器”和“与逻辑”就可以得到一个特定故障的状态位信号(可以用于特定故障的故障复位)。
思路有了,马上计算F3故障代码对应的内部值是多少。如果V20变频器中r0947.0存储的故障代码为F3,那么内部值为:

那么问题又来了,这个内部值太小了,对于V20变频器来说,这个值≈0,后面的比较器就无法运算了,难道这个方法要夭折吗?肯定不会,还是自由功能块!
这个时候需要用到除法运算,用一个同样很小的数值除以r0947的内部值,就会得到一个可显示可运算的中间值,除法运算相当于一个放大器。经过测试,这个很小的值选择0.03%最合适,V20变频器算出F3故障的中间值是166.71%,再使用“比较器”和“与逻辑”确定数值范围150%≤(0.03%/F3)≤180%,就可以唯一确认一个位信号表示当前的故障代码为F3欠压故障,用于故障复位。具体实现的功能图如下所示:

这里还有两点需要说明:第一,比较值150%来源于r1050的内部值,即参考频率为50Hz、r1050=75Hz时,r1050的内部值为150%。第二,F3欠压故障的位信号在连接参数p2014故障复位之前,增加了一个300ms的上升沿延时,防止短时间内连续欠压故障时不能自动复位的情况出现。
虽然过程一波三折,但是结果令客户满意,让我自己也非常高兴,因为V20变频器灵活的功能,帮助我实现想法,变不可能为可能,解决客户近似苛刻的要求,小伙伴们,对V20说不,都不好意思。下面是这个功能对应的参数设置,感兴趣的小伙伴买个V20试试吧~

-------来自 西门子技术支持工程师