各位大神好,遇见个奇怪的问题,希望大神们指点指点,感谢!!
我用ST20plc做ModbusTCP通信的客户端,用Modbuspoll软件做服务器,就是用plc读取Modbuspoll软件的数据,
plc端软件完成了,运行也显示没报错,Modbuspoll软件也配置正常,可改变modbuspoll软件数值,plc端读到的字就是不改变,什么原因,请大神们指点指点,感谢!!
plc端的IP=192.168.2.3
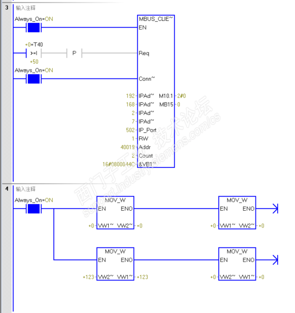
plc端程序如下


在另一台电脑端,使用Modbuspoll软件来模拟服务器,改变数值
服务器端电脑设置IP=192.168.2.7如下图



给服务器端改变数值

plc端完整客户端程序
MB_TCP_Client_Polling1.rar